在門傳感器的實際應用中,安裝是非常重要的一步,在選型安裝之前確定現場所需尺寸也是非常重要的。為避免客戶在選型時就出現問題,今天我們針對奧托尼克斯光幕中側面門傳感器的尺寸來為大家詳細做下介紹,避免出現現場尺寸不符,無法安裝的情況出現。分為以下三個部分:
一、控制部分(ADS-SEC)
*控制器(ADS-SEC)可另行購買。
二、探頭部分(ADS-SH)
1、按壓型
2、螺紋型
三、可選部分
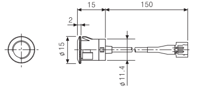
1、套裝探頭
2、支架
<用于按壓型安裝>
<用于螺紋型安裝>
以上所有尺寸單位均為mm
以上所有內容是關于奧托尼克斯光幕中側面門傳感器的外形尺寸的全部介紹,所有尺寸均用數字標出,單位均為毫米(mm),建議大家在選型之前先對自己實際使用現場的環境進行測量,確保提供相對應的尺寸數據,正確選型,避免因為尺寸不符而無法使用。希望今天的內容能幫到大家,若是大家還有問題或者是相關產品需求,歡迎給我們留言或是來電,我們會有專門的負責人來給您提供服務!




客服