奧托尼克斯光幕BW系列區域光幕傳感器功能測試方式詳細介紹,具體內容如下:
一、發光停止測試(外部輸入診斷)
發光器的測試輸入(黑色)連接0V,發光器的發光停止,且黃色LED閃爍。這就是傳感器的故障測試。(由于發光器停止發光,收光器無收光,輸出狀態為OFF)
1、測試輸入的連接圖
2、測試輸出的波形圖
二、自診斷功能
自診斷項目
正常情況下,故障自診斷時,控制輸出為OFF,指示燈狀態為ON。
發光器:①發光光源中斷②發光電路中斷③主/次設定連線中斷(在主設定模式)
收光器:①收光電路中斷②輸出電路中斷③輸出短路過流④同步線故障 ⑤接收周圍光源
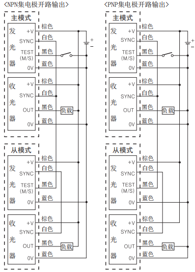
三、防相互干擾
為延長檢測高度,將兩套傳感器并列延伸安裝,由于受相互干擾影響而不能正常檢測。因此,這防止相互干擾功能就是將其中一套傳感器設 定為主模式,另一套設定為從模式,而有效的防止兩套傳感器之間的相互干擾。
1、主/從模式發光脈沖圖
2、主/從模式連線圖
從模式發光器的M/S線與主模式的同步線SYNC需連接在一起。
以上是關于奧托尼克斯光幕BW系列區域光幕傳感器功能測試方式詳細介紹,希望能幫到大家,若是你們還有相關問題或是產品需求,歡迎給我們留言或來電!




客服