》規格:直流三線式
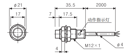
》檢測面直徑 : M12
》檢測距離 : 4mm
》安裝 : 非屏蔽型(外露型)
》標準檢測物 : 12×12×1mm(鐵)
》響應頻率 : 500Hz
產參數規格 選型報價請咨詢:156 0158 5576
| 型號 | PR12-4DN | PR12-4DP | PR12-4DN2 | PR12-4DP2 |
| 工作狀態 | 常開 | 常開 | 常閉 | 常閉 |
| 控制輸出 | NPN | PNP | NPN | PNP |
| 檢測距離 | 4mm | |||
| 應差距離 | 檢測距離的10%以下 | |||
| 檢測標準物 | 12×12×1mm(鐵) | |||
| 設定距離 | 0~2.8mm | |||
| 電源電壓(使用電壓范圍) | 12-24VDC(10-30VDC) | |||
| 消耗電流 | 10mA以下 | |||
| 應答頻率(*1) | 500Hz | |||
| 殘留電壓 | 1.5V以下 | |||
| 溫度影響 | 環境溫度20℃時,影響為檢測距離的±10%以內 | |||
| 控制輸出 | 200mA以下 | |||
| 絕緣阻抗 | 50MΩ以上(以500VDC為基準) | |||
| 耐電壓 | 1,500VAC 50/60Hz持續1分鐘 | |||
| 耐振動 | 10~55Hz(周期1分鐘) 振幅1mm X,Y,Z方向各2小時 | |||
| 耐沖擊 | 500m/s2(50G) X,Y,Z方向各3次 | |||
| 指示燈 | 動作指示燈(紅色LED) | |||
| 使用溫度 | -25~70℃(未結冰狀態) | |||
| 存儲溫度 | -30~80℃(未結冰狀態) | |||
| 環境濕度 | 35~95%RH(未結露狀態) | |||
| 保護電路 | 內置浪涌保護電路,電源反接保護電路,過電流保護電路 | |||
| 防護等級 | IP67(IEC規格) | |||
| 材質 | 外殼/螺母:鍍鎳黃銅,墊片:鍍鎳鐵,檢測面:耐熱ABS 標準線纜(黑色):聚氯乙烯(PVC),耐油型線纜(灰色):聚氯乙烯(耐油強化型PVC) | |||
| 連接線纜 | Φ4,3P,2m(AWG22,芯線直徑:0.08mm,芯線數:60,絕緣皮外徑:Φ1.25mm) | |||
| 認證 | CE | |||
| 重量 | 約72g | |||
(*1)開關動作的應答頻率為平均值。測定條件為使用標準檢測物,檢測物的間距為標準檢測物的2倍,設定距離為檢測距離的1/2。上述重量不包含外包裝。
外形尺寸

輸出電路 選型報價請咨詢:156 0158 5576


奧托尼克斯接近開關,接近開關,奧托尼克斯代理商








客服