》可選輸出:NPN NO、NPN NC、PNP NO、PNP NC
》檢測面直徑 : M08
》檢測距離 : 2mm
》安裝 : 非屏蔽型(外露型)
》標準檢測物 : 8×8×1mm(鐵)
》響應頻率 : 1kHz
產品參數 獲取更多產品參數以及選型報價請撥打156 0158 5576
| 型號 | PR08-2DN | PR08-2DP | PR08-2DN2 | PR08-2DP2 |
| 動作模式 | 常開 | 常開 | 常閉 | 常閉 |
| 控制輸出 | NPN | PNP | NPN | PNP |
| 檢測距離 | 2mm | 2mm | 2mm | 2mm |
| 響應頻率 | 1kHz | 1kHz | 1kHz | 1kHz |
| 應差距離 | 檢測距離的10%以下 | |||
| 標準檢測物 | 8×8×1mm(鐵) | |||
| 設定距離 | 0~1.4mm | |||
| 電源電壓(使用電壓范圍) | 12-24VDC (10-30VDC) | |||
| 消耗電流 | 10mA以下 | |||
| 應答頻率 | 1kHz | |||
| 殘留電壓 | 2V以下 | |||
| 溫度影響 | 環境溫度20℃時,影響為檢測距離的±10%以內,PR08系列:±20%以內 | |||
| 控制輸出 | 200mA以下 | |||
| 絕緣阻抗 | 50MΩ以上(以500VDC為基準) | |||
| 耐電壓 | 1,500VAC 50/60Hz持續1分鐘 | |||
| 耐振動 | 10~55Hz(周期1分鐘) 振幅1mm X,Y,Z方向各2小時 | |||
| 耐沖擊 | 500m/s2(50G) X,Y,Z方向各3次 | |||
| 指示燈 | 動作指示燈(紅色LED) | |||
| 使用溫度 | -25~70℃(未結冰狀態) | |||
| 存儲溫度 | -30~80℃(未結冰狀態) | |||
| 環境濕度 | 35~95%RH(未結露狀態) | |||
| 保護電路 | 內置浪涌保護電路,電源反接保護電路,過電流保護電路 | |||
| 防護等級 | IP67(IEC規格) | |||
| 材 質 | 外殼/螺母:鍍鎳黃銅,墊片:鍍鎳鐵,檢測面:耐熱ABS 標準線纜(黑色):聚氯乙烯(PVC),耐油型線纜(灰色):聚氯乙烯(耐油強化型PVC) | |||
| 連接線纜 | Φ3.5,3P,2m (AWG24,芯線直徑:0.08mm,芯線 數:40,絕緣皮外徑:Φ1mm) | |||
| 認證 | CE | |||
| 重量 | 約52g | |||
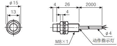
外形尺寸圖 選型報價請撥打156 0158 5576

輸出線路


奧托尼克斯接近開關,接近開關,奧托尼克斯代理商








客服