》檢測面直徑 : M08
》檢測距離 : 2mm
》安裝 : 非屏蔽型(外露型)
》標準檢測物 : 8×8×1mm(鐵)
》響應頻率 : 1kHz
產品參數 選型報價請咨詢 156 0158 5576
| 配線及電源 | DC 2線式12-24VDC |
|---|---|
| 檢測面直徑 | M08 |
| 檢測距離 | 2mm |
| 安裝 | 非屏蔽型(外露型) |
| 標準檢測物 | 8×8×1mm(鐵) |
| 響應頻率 | 1kHz |
| 電流規格 | 漏電流: Max.0.6mA |
| 控制輸出 | 常開 |
| 材質 | 黃銅(鍍鎳) |
| 線纜規格/材質 | 標準型線纜 |
| 防護等級 | IP67 |
| 本體長度 | 標準型 |
| 環境溫度 | -25~70℃, 存儲時: -30~80℃ |
| 環境濕度 | 35~95%RH, 存儲時: 35~95% RH |
| 應差距離 | 最大檢測距離的10% |
| 殘留電壓 | Max.3.5V |
| 重量 | 約64g(約52g) |
※開關動作的應答頻率為平均值。測定條件為使用標準檢測物,檢測物的間距為標準檢測物的2倍,設定距離為檢測距離的1/2。
※重量包含外包裝,括號內為產品凈重。
※環境特性為未結冰、結露狀態。
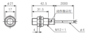
外形尺寸 選型報價請咨詢 156 0158 5576


負載連接方法

奧托尼克斯接近開關,接近開關傳感器,奧托尼克斯代理商








客服