》檢測藥罐填充物
》檢測藥片
》檢測導線架
》檢測晶圓
》檢測藥袋通過
》用于震動盤
》檢測紡織
》檢測盒子通過
》用于真空環境
》檢測薄膜
產品參數 報價請撥打156 0158 5576
| 品牌 | 臺灣力科RiKo |
| 型號 | PR-20ML-20 |
| 類型 | 反射型 矩陣光纖 |
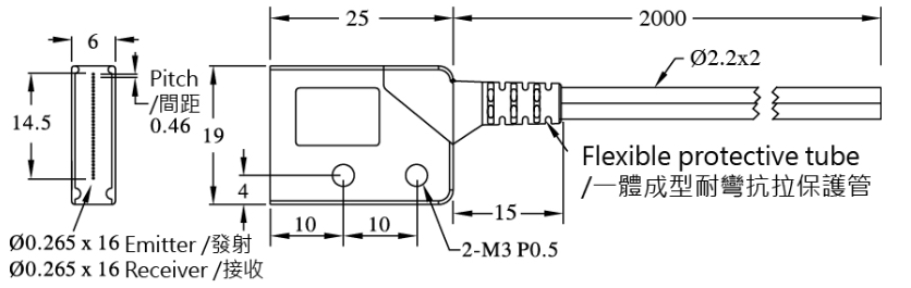
| 感應范圍 | 14.5mm |
| 感應距離 | 140mm |
| 工作溫度 | -55℃~+70℃ |
| 最小彎曲半徑 | R25 |
| 出光角度 | 60° |
| 尺寸 | (D: ?2.2 d: ?0.265*16)2PCS |
| 光纖直徑 | OD=?2.2,ID=?0.265x16 |
產品接線圖

臺灣力科光纖傳感器,光纖傳感器,臺灣力科代理商







客服