產品簡述
熱式流量傳感器(開關)采用了廣泛應用于航空和汽車上的精密電子元器件,可靠穩定的電路設計,使流量信號更加精確和穩定,目前已廣泛應用于鋼鐵、冶金、制藥、化工等行業。
氣液兩用,可用于氣體和液壓系統、循環水、切削液及潤滑油的斷流監測、以及泵的空轉保護。
主要特點
·數碼清晰顯示流量百分比;
·電腦控制,操作簡便,高靈敏度;
·安裝方便,開關量連續可調;
·PNP/NPN/繼電器/4~20mA;
·電源正反接可實現兩種不同工作狀態,寬電源供電;
·整體IP67防護等級,幾乎無壓力損失
產品參數
測量介質范圍 | 水: 3-300CM/S |
氣: 200-3000CM/S | |
油: 3-300CM/S | |
輸出信號 | PNP/NPN/繼電器/4~20mA |
供電電源 | 24VDC、85~265VAC、120~370VDC |
響應時間 | 2 (2~10) S |
開關精度 | ±1~±10CM/S |
消耗電流 | <80mA |
長期穩定性 | ≤±0.1%/年 |
環境溫度 | -40℃~80℃ |
儲存溫度 | -40℃~80℃ |
介質溫度 | -20℃~80℃ |
相對濕度 | 0%~80% |
防護等級 | IP67 |
安裝方式 | 水平安裝、側裝、彎管安裝 |
感壓膜片 | 316L不銹鋼,哈氏合金 |
電氣連接 | 接線端子 |
安裝方式
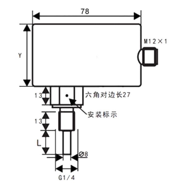
尺寸圖






客服