》高電介強度超過4KV
》高絕緣強度超過100MQ/500VDC
》附過熱保護回路可防止過熱破壞
》耐瞬間電流超過額定電流10倍以上
》附雙重突波吸收回路有效防止突波破壞
》符合EN60947-4-3 和 EN60950標準
共同規格 選型技術支持 / 報價等撥打 156 0158 5576 聯系
| 型式 | DC to DC | Linear control DC to DC |
| 輸入方式 | 4~32VDC | 4~ 20mA |
| 關閉電壓 | <3.0 VDC | non |
| 輸入電流 | 12mA max. | non |
| 控制方式 | Random | PWM |
| 泄漏電流 | 1.0 mA max. | 1.0 mA max. |
| 反應時間 | 1.0 ms | 1.0 ms |
| 使用溫度 | Ta < 50 °C | |
| 輸入 耐突波 | 2 KV (EN61000-4-4) | |
| 電介強度 | 4 KVrms(EN60950/VDE0805) | |
| 絕緣強度 | 100MΩ/500VDC(EN60950/VDE0805) | |
| 工作環境 | -40°C~+80°C;35~85%RH | |
型號說明 選型技術支持 / 報價等撥打 156 0158 5576 聯系
| 產品型式 | 產品圖 | 產品型號 | 特點說明 |
標準型-鋁軌式DC to DC |
| SSR-K25DD | 輸入電壓:4~32VDC、負載電壓:5~60VDC、額定電流:25A max. |
高壓型-鋁軌式DC to DC | ![]() | SSR-K10DD-H | 輸入電壓:4~32VDC、負載電壓:5~150VDC、額定電流:10A max. |
| 標準型-鋁軌式4~20mA to DC | ![]() | SSR-K10LD | 輸入訊號:4~20mA、負載電壓:5~60VDC、額定電流:10A max. |
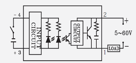
接線圖 & 外形尺寸圖 選型技術支持 / 報價等撥打 156 0158 5576 聯系

臺灣陽明固態繼電器,單項固態繼電器,固態繼電器,臺灣陽明代理商










客服