產品說明
1.高電介強度超過4KV
2.高絕緣強度超過100MQ/500VDC
3.附過熱保護回路可防止過熱破壞
4.耐瞬間電流超過額定電流10倍以上
5.附雙重突波吸收回路有效防止突波破壞
6.符合EN60947-4-3 和 EN60950標準
型號說明
產品型式 | 產品圖 | 產品型號 | 產品特點 |
標準型-DC to AC |
| HPR-60DA | 輸入電壓:4~32VDC、負載電壓:24~380VAC、額定電流:60A max |
HPR-80DA | 輸入電壓:4~32VDC、負載電壓:24~380VAC、額定電流:80A max. | ||
HPR-100DA | 輸入電壓4~32VDC、負載電壓:24~380VAC、額定電流:100A max | ||
高壓型-DC to AC |
| HPR-60DAH | 輸入電壓:4~32VDC、負載電壓:24~550VAC、額定電流:60A max. |
HPR-80DA-H | 輸入電壓:4~32VDC、負載電壓:24~550VAC、額定電流:80A max | ||
HPR-100DA-H | 輸入電壓:4~32VDC、負載電壓:24~550VAC、額定電流:100A max |
產品規格
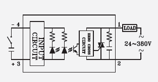
接線圖
外形尺寸








客服