》高可靠度
》高抗干擾力
》廣泛工作電壓范圍
》低耗電高效能
》適用于惡劣環境不怕粉塵
》D=Line driver / N=NPN P=PNP
》轉軸外徑:NON=6.00 / 8=8.0mm / H8=Hole shaft8.0mm / H10=Hole shaft10.0mm
》附加功能:PG=M12 Lead wire / ZL=Z Phase low level output / MW= Meter wheel type
型號說明 報價請咨詢 156 0158 5576
| 產品型式 | 產品圖 | 產品型號 | 特點說明 |
| 增量型 |
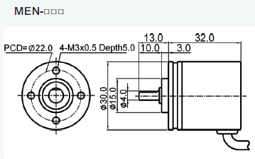
| MEN-□□□□ | 分辨率:4 PPR~4096 PPR(可訂制)、PCD = 22.0Φ |
電氣規格
| 輸出形式 | NPN | PNP | Liner Driver |
| 工作電壓 | 5~30VDC | 5~30VDC | 5VDC ±10% |
| 輸出方式 | NPN | PNP | Line driver IC |
| 響應頻率 | 30K~120K Hz | ||
| 耗電流 | 40 mA max. | ||
| 電流連波 | 10 peak to peak | ||
| 輸出電流 | 100mAmax. | 20mA max. | |
| 保護回路 | Short circuit & polarity reversed | Polarity reversed | |
| 輸出壓降 | 0.6V max. | ||
| 殘留電壓 | 0.1V max. | ||
| 泄漏電流 | 0.1mA max. | ||
| 抗干擾 | 2kv/1μs | ||
| 電介強度 | 2.5kv / 1 minute min. | ||
| 絕緣強度 | 100 MΩ /500vdc | ||
| 安規 | CE / ROHS | ||
環境規格 & 機械規格 報價請咨詢 156 0158 5576
| Type | Standard type | Heavy duty | ||
| Outline | 30Φ | 40Φ | 40Φ | 50Φ |
| Model | MEN | MES | MET | MET-□□□-E |
| 啟動力矩 | 20 gf-cm max. | 30 gf-cm max. | 30 gf-cm max. | 260 gf-cm max. |
| 慣性力矩 | 6 g- cm2 max. | 8 g- cm2max. | 8 g- cm2 max | 68 g-cm2max |
| 轉軸負載(Radial) | 1kg max. | 2kg max. | 2kg max. | 10kg max. |
| 轉軸負載(Axial) | 0.5kg max. | 1kg max. | 1kg max. | 5kg max. |
| 最大轉速 | 6000 RPM | |||
| 外殼材質 | Intensive PPS | |||
| 轉軸材質 | SUS-316 | |||
| 抗震動 | 10~55 Hz/ 1.5 mm ;2Hr/ X.Y.Z direction each | |||
| 抗沖擊 | ~490m/s2 with 11ms in X.Y.Z direction 3times each | |||
| 工作環境 | -25℃~ +70℃;85%RHmax. | |||
| 保護等級 | IP-64 | |||
接線圖 報價請咨詢 156 0158 5576


外形尺寸

臺灣陽明編碼器,臺灣陽明代理商







客服