產品介紹
1.超高反應頻率:10K HZ
2.免加油軸承超高機構轉速:6K RPM3.獨特的電壓和電流NPN+PNP雙出力4.具有短路保護和極性反接保護回路
5.獨特機構設計,體積小、安裝不占空間、重心穩、量測準
型號說明 選型報價請咨詢 156 0158 5576
產品型式 | 產品圖 | 產品型號 | 特點說明 |
米輪 |
| WE-M1 | 每一訊號單位:1米(M)、輸出訊號:A相(單相) |
WE-M2 | 每一訊號單位:0.1米(M)、輸出訊號:A相(單相) | ||
WE-M3 | 每一訊號單位:0.01米(M)、輸出訊號:A相(單相) | ||
WE-M2T | 每一訊號單位:0.1米(M)、輸出訊號:A相、B相(相位差90° | ||
WE-M3T | 每一訊號單位:0.01米(M)、輸出訊號:A相、B相(相位差90° | ||
WE-M4T | 每一訊號單位:1.0mm、輸出訊號:A相、B相(相位差90°) | ||
米輪 |
| WE-Y1 | 每一訊號單位:1碼(Yd)、輸出訊號:A相(單相) |
WE-Y2 | 每一訊號單位:0.1碼(Yd)、輸出訊號:A相(單相) | ||
WE-Y3 | 每一訊號單位:0.01碼(Yd)、輸出訊號:A相(單相) | ||
WE-Y2T | 每一訊號單位:0.1碼(Yd)、輸出訊號:A相、B相(相位差90°) | ||
WE-Y3T | 每一訊號單位:0.01碼(Yd)、輸出訊號:A相、B相(相位差90° | ||
WE-Y4T | 每一訊號單位:0.001碼(Yd)、輸出訊號:A相、B相(相位差90°) |
產品規格
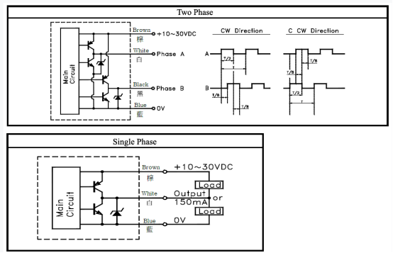
接線圖 選型報價請咨詢 156 0158 5576
外形尺寸
臺灣陽明編碼器,臺灣陽明代理商








客服